15670588677

当前位置:首页 > 产品中心 > 振动电机

PCE系列振动电机

振动电机

60秒级人工响应
24小时免费提供方案
定制产品解决方案

15670588677

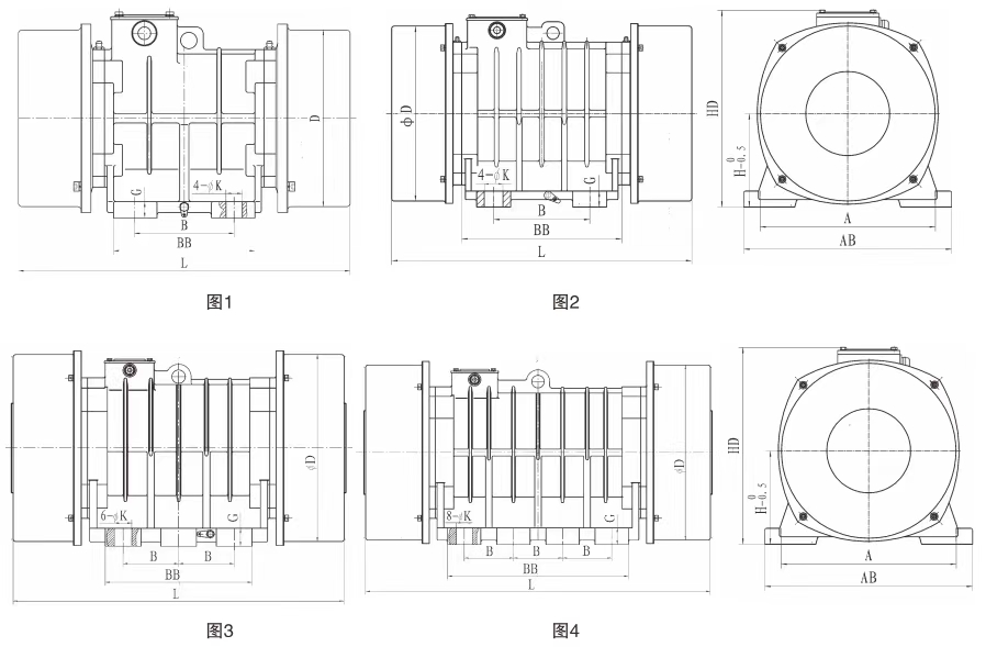
  YZS' PCEV 系列三相异步振动电机,是我公司结合国内外振动电机,自主开发的新型产品。满足中华人民共和国机械行业标准JB/T5330-2007-----三相异步振动电机技术条件要求。是一家生产全系列三相异步振动电机的制造企业。

  PJMV、BPMV系列三相异步振动电机是各类振动机械通用型激振源,产品被广泛应用于电力、建材、粮食、煤炭、矿山、冶金、化工、铸造、轻工、铁道、港口、医药等行业的振动脱水机、振动分离机、移动破碎站、振动筛分机、振动给料机、振动输送机、振动放矿机、振动落砂机、振实台、料仓的振动防闭塞装置等。

  特点

  1、设计合理、选材精良、效率高,温升低,使用寿命长:

  2、激振力与出力配合适当,机体质量轻,起动力矩大,体积小

  3、因利用平稳的回转产生振动,噪声低;

  4、全封闭结构,可在任何无防爆要求的粉尘下工作;

  5、只需调整偏心块夹角,就可调节激振力;

  6、可根据振动电机的安装方式改变激振力的方向:

  7、可多机组组合成各种振动形式,以完成各种作业要求

  使用条件

  环境温度:-20℃~40℃

  海拨高度:不超过1000m

  电压:380V

  频率:50HZ

  绝缘等级:F

  防护等级:IP55

  工作方式:S1

  冷却方式:IC410

  安装方向:任意方向(贴有安装指示标志的除外)

1

微信图片_20251023150524_110_493微信图片_20251023150327_104_493


为什么选择鹏铖机电

集振动电机研发、制造、销售和服务为一体的高新技术企业

鹏铖机电相关产品

实力雄厚 · 设备优良 · 质量保证 · 用户至上 · 合作共赢

contact us

联系方式

联系人:李经理 15670588677

邮箱:272776689@qq.com

地址:河南省新乡市新乡县朗公庙镇北于店南边01号

ATTENTION

关注我们

关注我们

版权所有 新乡市鹏铖机电科技有限公司 备案号:豫ICP备2025147165号-1