应用:圆振筛、振动抛光机
优势:快速,方便安装和维护,轴承免维护压:220、380及其他特殊电压
电压:50、60及其他定制
防护等级:IP66
绝缘等级:F级、可做H级绝缘
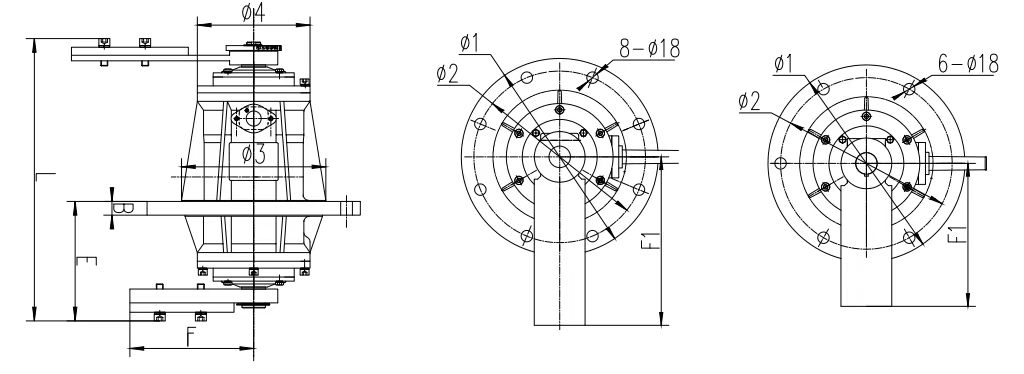
指 示 牌:下端配有圆形刻度盘,可从侧面调整角度观察方便
激 振 力:可选用不同形式偏心块满足不同圆振筛使用,圆盘式偏心块可实现上下不同激振力,上下不同角度调节,使物料的运行轨迹随心所欲。
海 拔:<1000m,可定制高海拔、高湿热环境电机
环境温度:零下30到+50℃
工作制:S1,可定制频繁启动



集振动电机研发、制造、销售和服务为一体的高新技术企业
实力雄厚 · 设备优良 · 质量保证 · 用户至上 · 合作共赢
15670588677
扫一扫 关注我们