15670588677

当前位置:首页 > 产品中心 > 辊道电机

辊道电机

辊道电机

60秒级人工响应
24小时免费提供方案
定制产品解决方案

15670588677

  概述

  YG系列辊道用三相异步电动机是我国九十年代取代JG2系列电机的更新换代产品,其主要性能指标超过JG2系列水平,达到国外同类电动机先进水平。电动机按用途可分为YGa和YGb两种形式。YGa型电动机以断续周期工作制(S5)为基准工作制,它能够频繁地起动、制动或反转运行,具有堵转转矩大、堵转电流小、堵转时间长、动态常数高、机械特性软等特点,主要用于单独驱动冶金工业的工作辊道,也可用于其它类似机械;YGb型电动机以连续工作制(S1)为基准工作制,具有功率大、效率高、变频调速范围宽、机械特性硬等特点,主要用于单独驱动冶金工业的传输辊道辊子,也可用于其它类似机械。

  电动机符合JB/T8733-1998《YG系列辊道用三相异步电动机技术条件(机座号112~225)》的要求,为满足用户需求,我公司在此标准基础上已开发出机座号250~315的道电机。

  电动机额定电压380V,额定频率为50Hz,防护等级为IP54,冷却方法为IC410。基准工作制YGa为S5-40%,YGb为S1绝缘等级YGa为H级,YGb为F级或H级。

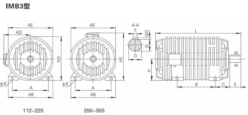
  电动机的结构及安装型式为IMB3、IMB5、IMB35。

  使用条件:

  1.额定电压:380V

  2.额定频率:50HZ

  3.防护等级:IP54

  4.冷却方式:1C410

  5.基准工作制:YGa为S5-40%,YGb为S1

  6.绝缘等级:YGa为H级,YGb为F级。



为什么选择鹏铖机电

集振动电机研发、制造、销售和服务为一体的高新技术企业

鹏铖机电相关产品

实力雄厚 · 设备优良 · 质量保证 · 用户至上 · 合作共赢

contact us

联系方式

联系人:李经理 15670588677

邮箱:272776689@qq.com

地址:河南省新乡市新乡县朗公庙镇北于店南边01号

ATTENTION

关注我们

关注我们

版权所有 新乡市鹏铖机电科技有限公司 备案号:豫ICP备2025147165号-1